Zhida Plastic Machinery Zhida Plastic Machinery

Auto Plastic PVC Calcium Chemical Automatic Weighing /Mixing/Dosing/Feeding/Conveying/ Compounding Mixer System

Customization: Available
Additional Capabilities: Drying, Auto Weighing
After-sales Service: Engineers Available to Service Machinery Overseas, Free Spare Parts, Online Support, video Technical Support, Yes

Product Description

📊 Basic Info.
Model NO.
SR-2000
Application
Powder
Application Area
PVC Production
Certification
CE, ISO
Condition
New
Cooling Method
Water Cooling
Heating Method
Electric Heating
Main Material
Stainless Steel
Mixing Capacity
500-999L
Mixing Drum Shape
Drum
Speed Control
Variable Speed
Stirring Type
Gravity
Control Method
Siemens PLC
Weighing Sensor
Toledo
📦 Packaging & Delivery
Package Size
2000.00cm * 1800.00cm * 2200.00cm
Gross Weight
2000.000kg
📝 Product Description
The small additive auto weighing system is developed especially for PVC pipe and profile production to replace manual weighing. It automatically weighs additives in PVC formulas (excluding PVC and CACO3). This system prevents manual errors and maintains a clean workshop environment.
Main Features:
  • High Accuracy: Utilizes first-class weighing sensors and advanced design for precise formula ratios.
  • Intelligent Speed Regulation: Adjusts feeding speed automatically based on additive weight. High power feeding motors ensure fast and stable operation.
  • Reliable Control: Adopts international standard Siemens PLC products.
  • Easy Installation: Composed of individual small silos with simple cable connections.
  • Friendly Interface: Diagram and symbol-based operation on touch screens.
  • Quality Materials: Silos made of stainless steel; electronics carry CE or UL certificates.
📸 Machine Pictures
⚙️ PVC High Speed Mixer Technical Details
The PVC high speed mixer is designed for mixing PVC powder, CACO3, and other additives for pipe, profile, SPC flooring, and cable production. It features SUS304 stainless steel internal walls (6-8mm) with fine polishing and dynamic balance tested blades.
Model Total Volume (L) Effective Volume (L) Speed (RPM) Motor Power (KW) Weight (kg)
SRL-Z100/200100/20065/130650/1300-18014/22-7.52500
SRL-Z200/500200/500150/320475/950-8730/42/113600
SRL-Z300/600300/600200/360475/950-8740/55/114500
SRL-Z500/1000500/1000375/650430/860-6055/75/155800
SRL-Z800/1600800/1600600/1024357/714-5083/110/228300
🔍 Detailed Photos
Mixer Blades & Units:
🏭 Factory Installations & Systems
Control & Feeding Systems:
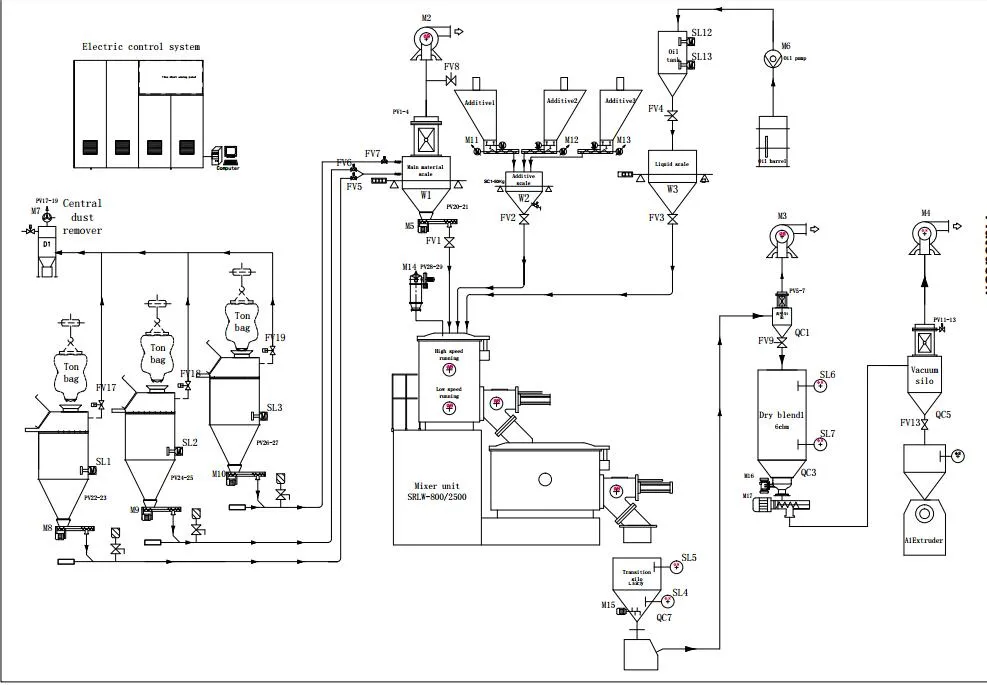
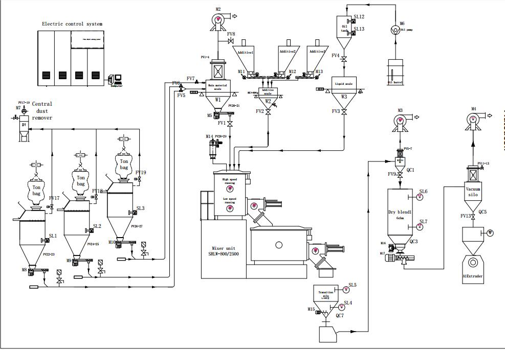
📈 Process Flow Chart
Process Flow Chart
❓ Frequently Asked Questions
What materials can this system weigh?
The system is designed to automatically weigh 6-10 kinds of powder or granule additives used in PVC pipe, profile, and SPC flooring production.
How does the system ensure weighing accuracy?
It adopts first-class Toledo weighing sensors and Siemens PLC modules, combined with intelligent speed regulation to adjust feeding based on the weight of different additives.
Is the installation complicated for the end-user?
No, the system is composed of several individual small silos. Connections between silos and the control cabinet are made via simple cables, making it easy for users to install.
What are the main benefits of using an auto-weighing system?
It significantly reduces labor costs, eliminates manual weighing errors, keeps the workshop clean from dust, and increases overall production efficiency.
What is the material construction of the mixers?
The internal walls of the mixers are constructed using 6-8mm SUS304 stainless steel with fine polishing to ensure durability against high friction.
What kind of warranty is provided?
The equipment comes with a 12-month warranty, and we use top-brand electrical components (Siemens, ABB, Omron) for long-term reliability.

Related Products